เราขอเสนอพัดลมระบายอากาศบนหลังคา FRP ระดับพรีเมียมนี้ ซึ่งได้รับการออกแบบทางวิศวกรรมด้วยวัสดุพลาสติกเสริมใยแก้ว (FRP) ขั้นสูง มอบความต้านทานการกัดกร่อนที่ยอดเยี่ยม ความแข็งแรงน้ำหนักเบา และความน่าเชื่อถือในระยะยาว สำหรับการใช้งานระบายอากาศในโรงงานอุตสาหกรรมและเชิงพาณิชย์
คุณสมบัติหลัก:
ทนทานต่อการกัดกร่อนได้ดีเยี่ยม
พัดลมติดหลังคาตัวนี้ผลิตจากวัสดุคอมโพสิตใยแก้วและเรซินคุณภาพสูง ทนทานต่อการกัดกร่อนจากกรด ด่าง ละอองเกลือ และสภาพแวดล้อมชื้น จึงเหมาะอย่างยิ่งสำหรับโรงงานเคมี พื้นที่ชายฝั่ง และโรงงานแปรรูปอาหาร อายุการใช้งานยาวนานถึง 10-15 ปี ซึ่งยาวนานกว่าพัดลมเหล็กแบบดั้งเดิมถึง 3-5 เท่า
น้ำหนักเบาและติดตั้งง่าย
พัดลมชนิดนี้มีน้ำหนักเพียงครึ่งถึงสองในสามของพัดลมเหล็ก จึงช่วยลดภาระโครงสร้างหลังคาได้อย่างมีประสิทธิภาพ ทำให้การขนส่งและการติดตั้งง่ายขึ้น เหมาะสำหรับโครงการปรับปรุงหรือก่อสร้างใหม่
ดีไซน์ฝาครอบเห็ดกันฝน
ฝาครอบกันฝนรูปทรงเห็ดที่ออกแบบมาเป็นพิเศษ ช่วยป้องกันน้ำฝน เศษฝุ่น และนก ไม่ให้เข้าไปในพัดลมได้อย่างมีประสิทธิภาพ พร้อมทั้งช่วยปรับทิศทางการไหลของอากาศให้เหมาะสม อุปกรณ์เสริมที่มีให้เลือก ได้แก่ ตาข่ายกันนกและตะแกรงนิรภัย เพื่อเพิ่มประสิทธิภาพในการป้องกันให้ดียิ่งขึ้น
ประสิทธิภาพการไหลตามแนวแกนสูง
พัดลมระบายอากาศบนหลังคาชนิดนี้ได้รับการออกแบบให้เป็นแบบไหลตามแนวแกน สามารถส่งอากาศได้ปริมาณมาก (1,000-100,000 ลูกบาศก์เมตรต่อชั่วโมง) ภายใต้แรงดันสถิตต่ำ (50-2,000 ปาสคาล) เหมาะสำหรับการระบายอากาศทั่วไป การดูดอากาศเสีย และการระบายควันในโรงงาน โกดัง ลานจอดรถ และอาคารสาธารณะ
การทำงานของเสียงรบกวนต่ำ
การออกแบบตามหลักอากาศพลศาสตร์ของใบพัดและโครงสร้างตัวเรือนมอเตอร์ที่ได้รับการปรับให้เหมาะสม ช่วยให้การทำงานเงียบ (โดยทั่วไปอยู่ที่ 55-75 เดซิเบล (A)) ลดการรบกวนให้น้อยที่สุดในสภาพแวดล้อมที่ไวต่อเสียงรบกวน
มีรุ่นที่ทนไฟให้เลือก
มีรุ่นที่ผ่านการรับรองมาตรฐานด้านอัคคีภัยซึ่งใช้มอเตอร์ระดับ H สามารถทำงานได้อย่างต่อเนื่องที่อุณหภูมิ 280°C เป็นเวลา 45 นาที ตรงตามมาตรฐานความปลอดภัยด้านอัคคีภัยที่เข้มงวดสำหรับระบบระบายควันฉุกเฉิน
แอพพลิเคชั่นที่หลากหลาย
เหมาะสำหรับระบบปรับอากาศ (HVAC), ระบบระบายอากาศในโรงงานอุตสาหกรรม, ระบบระบายอากาศทางการเกษตร และสภาพแวดล้อมทางทะเล สามารถใช้งานร่วมกับมอเตอร์ป้องกันการระเบิด (Exd II BT4/CT4) สำหรับใช้ในพื้นที่อันตรายได้
รุ่นมาตรฐานและบริการปรับแต่งตามความต้องการ
ข้อมูลประสิทธิภาพด้านล่างนี้แสดงถึงรุ่นมาตรฐานของเรา อย่างไรก็ตาม ในฐานะผู้ผลิตเฉพาะทาง เราเข้าใจดีว่าทุกโครงการมีความเฉพาะตัว
เรานำเสนอโซลูชันแบบครบวงจรที่ปรับแต่งให้ตรงตามความต้องการของคุณอย่างแม่นยำ
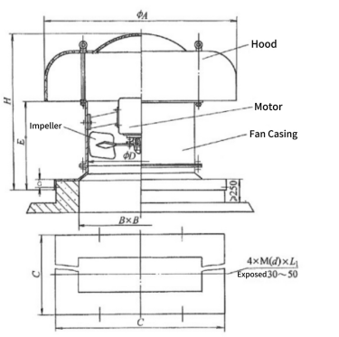
(หน่วย: มม.)
หมายเลขรุ่น |
φเอ (เส้นผ่านศูนย์กลางหน้าแปลน) |
φD (เส้นผ่านศูนย์กลางลำกล้อง) |
บี (กำลังเปิด) |
ช |
ค (เส้นผ่านศูนย์กลางภายในฐาน) |
อี |
ชม |
3 |
740 |
320 |
400 |
40 |
600 |
300 |
635 |
4 |
800 |
350 |
500 |
40 |
600 |
330 |
695 |
5 |
850 |
505 |
600 |
40 |
800 |
390 |
815 |
6 |
1000 |
638 |
700 |
40 |
900 |
440 |
905 |
7 |
1250 |
700 |
800 |
40 |
985 |
480 |
1110 |
8 |
1250 |
800 |
900 |
40 |
1080 |
480 |
1110 |
9 |
1430 |
900 |
1000 |
40 |
1260 |
480 |
1110 |
10 |
1500 |
1000 |
1100 |
60 |
1410 |
480 |
1265 |
11.2 |
1800 |
1120 |
1240 |
60 |
1540 |
480 |
1265 |
12 |
1800 |
1200 |
1360 |
60 |
1660 |
500 |
1315 |
หมายเลขรุ่น |
ความเร็ว (รอบต่อนาที) |
ปริมาณลม (ลบ.ม./ชม.) |
ความดันสถิต (พีก) |
กำลัง (กว) |
ระดับเสียง dB(ก) |
11.2 |
960 |
56900 |
253 |
5.5
|
82
|
49500 |
296 |
||||
40400 |
322 |
||||
720 |
52500 |
138 |
3
|
77
|
|
45000 |
169 |
||||
40000 |
183 |
||||
12 |
720 |
57000 |
196 |
5.5
|
73
|
50000 |
205 |
||||
44000 |
209 |
||||
560 |
42000 |
126 |
3
|
67
|
|
37500 |
134 |
||||
33000 |
148 |
||||
3 |
2900 |
3300 |
181 |
0.37
|
66
|
3000 |
206 |
||||
2600 |
232 |
||||
1450 |
1650 |
62 |
0.06
|
56
|
|
1560 |
66 |
||||
1450 |
72 |
||||
4 |
2900 |
7450 |
193 |
1.1
|
69
|
6350 |
230 |
||||
5300 |
250 |
||||
1450 |
5700 |
176 |
0.25
|
67
|
|
5400 |
184 |
||||
4580 |
190 |
||||
5 |
1450 |
8000 |
135 |
0.55
|
68
|
7000 |
162 |
||||
5600 |
191 |
||||
960 |
7000 |
113 |
0.37
|
63
|
|
6700 |
122 |
||||
6400 |
131 |
||||
6 |
1450 |
15000 |
232 |
1.5
|
73
|
14000 |
251 |
||||
13000 |
267 |
||||
960 |
11000 |
168 |
1.1
|
67
|
|
10000 |
183 |
||||
9100 |
193 |
||||
7 |
960 |
17500 |
165 |
1.5
|
69
|
15000 |
201 |
||||
12500 |
212 |
||||
720 |
12000 |
141 |
0.75
|
63
|
|
11000 |
163 |
||||
9200 |
177 |
||||
8 |
960 |
27000 |
175 |
2.2
|
72
|
25000 |
207 |
||||
23000 |
228 |
||||
720 |
20000 |
129 |
1.5
|
66
|
|
18000 |
154 |
||||
16000 |
167 |
||||
9 |
960 |
34500 |
202 |
3
|
76
|
29000 |
236 |
||||
24000 |
256 |
||||
720 |
32000 |
126 |
2.2
|
73
|
|
28000 |
156 |
||||
24000 |
177 |
||||
10 |
960 |
50000 |
251 |
5.5
|
81
|
45000 |
286 |
||||
39000 |
317 |
||||
720 |
46000 |
141 |
3
|
76
|
|
40000 |
167 |
||||
35000 |
183 |
แสดงเฉพาะพารามิเตอร์บางส่วนเท่านั้น
บริการของเรา
การสื่อสารความต้องการและการให้คำปรึกษาทางเทคนิค
วิศวกรและผู้เชี่ยวชาญด้านเทคนิคที่มีประสบการณ์ของกลุ่มบริษัทชุนดาพร้อมให้คำตอบแก่ลูกค้าเกี่ยวกับผลิตภัณฑ์และประเด็นที่เกี่ยวข้อง
จัดเตรียมเอกสารต่างๆ เช่น แคตตาล็อกสินค้า คู่มือทางเทคนิค ตารางพารามิเตอร์ประสิทธิภาพ แบบร่างการติดตั้ง และคำแนะนำการใช้งาน ให้แก่ลูกค้า เพื่อให้ลูกค้าเข้าใจผลิตภัณฑ์อย่างครบถ้วน
ออกแบบผลิตภัณฑ์และแผนการดำเนินงานเฉพาะบุคคลให้เหมาะสมกับความต้องการและสภาพการทำงานจริงของลูกค้า เพื่อให้มั่นใจว่าแผนงานมีประสิทธิภาพคุ้มค่าสูง
การแสดงและการสาธิตผลิตภัณฑ์
เชิญลูกค้าเยี่ยมชมฐานการผลิตของบริษัท เพื่อให้ลูกค้าเข้าใจถึงคุณลักษณะและข้อดีของผลิตภัณฑ์ในด้านรูปลักษณ์ โครงสร้าง วัสดุ และเทคโนโลยี
ใช้เทคโนโลยีต่างๆ เช่น VR หรือแอนิเมชั่น 3 มิติ เพื่อให้บริการแสดงสินค้าออนไลน์แก่ลูกค้า ช่วยให้พวกเขามีความเข้าใจในผลิตภัณฑ์อย่างครอบคลุมมากขึ้น
ให้ข้อมูลที่เกี่ยวข้องเกี่ยวกับการทดสอบประสิทธิภาพของผลิตภัณฑ์ที่บริษัทได้ดำเนินการในห้องปฏิบัติการหรือโครงการจริงแก่ลูกค้า เพื่อให้ลูกค้าเข้าใจถึงประสิทธิภาพที่แท้จริงของผลิตภัณฑ์ ในขณะเดียวกัน ให้ชี้แจงรายละเอียดเกี่ยวกับวิธีการทดสอบและมาตรฐาน เพื่อให้มั่นใจในความถูกต้องและน่าเชื่อถือของข้อมูล
คำแนะนำในการติดตั้งและทดสอบระบบ รวมถึงการสนับสนุนทางเทคนิค
จัดเตรียมคู่มือการติดตั้งโดยละเอียดให้แก่ลูกค้า รวมถึงคำแนะนำในการติดตั้ง ภาพวาดการติดตั้ง ข้อกำหนดในการก่อสร้างฐานราก และรายการเครื่องมือในการติดตั้ง เพื่อให้มั่นใจว่าผู้ติดตั้งของลูกค้าสามารถเข้าใจและใช้งานได้อย่างถูกต้อง
สามารถให้คำแนะนำการติดตั้งทางออนไลน์ได้ และยังสามารถส่งวิศวกรด้านเทคนิคผู้เชี่ยวชาญไปให้คำแนะนำถึงที่ได้อีกด้วย
การประกันคุณภาพและการบำรุงรักษา
เราให้บริการอย่างต่อเนื่อง รวมถึงการสนับสนุนทางเทคนิคและอะไหล่ เพื่อให้มั่นใจถึงประสิทธิภาพและความน่าเชื่อถือในระยะยาว
มีการจัดตั้งสายด่วนบริการหลังการขายตลอด 24 ชั่วโมง เพื่อรับสายลูกค้าเกี่ยวกับการซ่อมแซมได้ทุกเวลา
การตรวจติดตามและบริการบำรุงรักษาเป็นระยะ
ในระหว่างช่วงระยะเวลารับประกันคุณภาพ ลูกค้าจะได้รับการเยี่ยมเยียนทุกๆ สามเดือน หลังจากสิ้นสุดระยะเวลารับประกันคุณภาพแล้ว จะมีการติดตามผลทางออนไลน์ปีละครั้ง เพื่อรวบรวมความคิดเห็นและข้อเสนอแนะของลูกค้าอย่างทันท่วงที เพื่อนำไปปรับปรุงผลิตภัณฑ์และบริการให้ดียิ่งขึ้น
จัดทำแผนการบำรุงรักษาเฉพาะบุคคลสำหรับลูกค้า โดยพิจารณาจากลักษณะการใช้งานผลิตภัณฑ์ ระยะเวลาการใช้งาน และสภาพแวดล้อมการทำงาน
การฝึกอบรมด้านเทคนิค
เชิญลูกค้าเข้าร่วมหลักสูตรฝึกอบรมออนไลน์อย่างสม่ำเสมอ
จัดตั้งอีเมลสำหรับให้คำปรึกษาทางเทคนิคโดยเฉพาะ และแพลตฟอร์มบริการลูกค้าออนไลน์ เพื่อตอบคำถามที่ลูกค้าพบเจอระหว่างการใช้งานผลิตภัณฑ์ สำหรับคำถามทางเทคนิคที่ลูกค้าสอบถามเข้ามา จะมีการตอบกลับภายใน 24 ชั่วโมง
คำถามที่พบบ่อย
ถาม:คุณเป็นผู้ผลิตหรือตัวแทนจำหน่าย?
ตอบ:เราเป็นผู้ผลิตที่มีพื้นที่การผลิตกว่า 70,000 ตารางเมตร เราสามารถผลิตตัวเครื่องหลักของระบบปรับอากาศส่วนกลางและอุปกรณ์เสริมต่างๆ เช่น ท่อกันไฟ ช่องระบายอากาศ วาล์วต่างๆ ชุดคอยล์พัดลม พัดลมเป่าลม และอื่นๆ
ถาม: คุณรับผลิตสินค้าตามสั่ง (OEM) หรือไม่?
ตอบ:แน่นอน เราสามารถให้บริการปรับแต่งตามความต้องการได้ เรามีช่างเทคนิคและวิศวกรของเราเองที่สามารถให้คำแนะนำที่ดีเกี่ยวกับแบบร่างของคุณได้
พร้อมกำหนดรายละเอียดโซลูชันระบบระบายอากาศของคุณแล้วหรือยัง?
ติดต่อทีมวิศวกรของเราวันนี้เพื่อขอคำปรึกษาโครงการฟรี และรับใบเสนอราคาโดยละเอียดที่ปรับให้เหมาะสมกับความต้องการเฉพาะของคุณ